Chybí mínus na relé žhavení

Motor, převodovka ...
Moderátor:ZaQik
nextn
Nováček
Nováček
Příspěvky: 9
Registrován: 28.02.2008 21:07

Chybí mínus na relé žhavení

Příspěvek od nextn » 28.02.2008 21:34

Dobrý den.Prosím o radu.Při mrazu jsem nenastartoval.Fofo 1.8 TDdi 66kw 2000.Žhaviče proměřeny,OK.Zjstil jsem,že nespíná relé žhavení.Pro kontrolu jsem ho zapojil natvrdo a je v pohodě.Přívod do relé naměřím 12V,ale odpor mezi mínusem vinutí relé a kostrou je cca 600ohm.Vypadá to,že řídící jednotka nepustí mínus do relé.Na diagnostice zjištěna závada na žhavení a na teplotním čidle hlavy.Čidlo jsem vyměnil bez úspěchu.Zjistil jsem,že čidlo čím je chladnější motor,tím má větší odpor až do asi 65 kohm.Zkusil jsem ho odpojit (max odpor) bez výsledku.Naopak při proklemování na poprvé žhaví,pustí větrák a zvedne otáčky na volnoběhu cca na 1000 (nouzový režim?).Napodruhé už nenažhaví.Nevíte,co ještě řídící jednotka vyhodnocuje pro žhavení případně naco se zaměřit? Děkuji za odpovědi.
Naposledy upravil(a) nextn dne 01.03.2008 12:22, celkem upraveno 1 x.

Uživatelský avatar
pelen
Test driver
Test driver
Příspěvky: 9259
Registrován: 02.02.2008 03:18
Bydliště: Nový Jičín
Kontaktovat uživatele:

Re: Chybí mínus na relé žhavení

Příspěvek od pelen » 29.02.2008 21:06

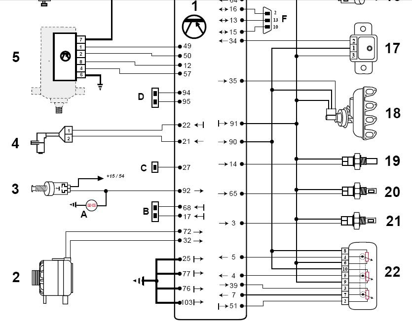
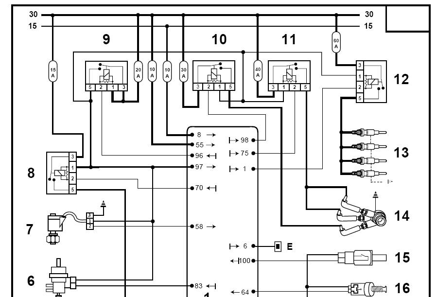
Ridici jednotka:
Přílohy
ridici_1.jpg
ridici_2.jpg
ridici_3.jpg
Ford Mondeo Combi 2.0 TDCi 12/2005, 85kW, Diamond White
Obrázek
Obrázek

Uživatelský avatar
pelen
Test driver
Test driver
Příspěvky: 9259
Registrován: 02.02.2008 03:18
Bydliště: Nový Jičín
Kontaktovat uživatele:

Re: Chybí mínus na relé žhavení

Příspěvek od pelen » 29.02.2008 21:09

Kontrola zhavicu:
Přílohy
zhavice_1.jpg
zhavice_2.jpg
zhavice_2.jpg (11.1 KiB) Zobrazeno 4074 x
zhavice_3.jpg
zhavice_4.jpg
zhavice_4.jpg (12.73 KiB) Zobrazeno 4071 x
Ford Mondeo Combi 2.0 TDCi 12/2005, 85kW, Diamond White
Obrázek
Obrázek

nextn
Nováček
Nováček
Příspěvky: 9
Registrován: 28.02.2008 21:07

Re: Chybí mínus na relé žhavení

Příspěvek od nextn » 29.02.2008 22:26

Něco z toho přeložím,ale bohužel ne celé.Každopádně žhaviče jsou OK.Jedná se teď už jen o to dostat do nich šťávu.Dneska ráno teplota okolo +5.Měřil sem napětí mezi kostrou a přívodem k žhavičkám.Po otočení klíčem naběhlo(poprvé!!) napětí cca10V.Zhruba po 10ti sec. žhavení odpadlo a seplo se ještě po nastartování.To myslím,že má tak fungovat.I tak prosím,pokud někdo napoví,co ještě ovlivňuje jednotku (teplota vody,vzduchu...?),aby vyhodnotila,že je potřeba žhavit a kde to najdu.Díky
Naposledy upravil(a) nextn dne 01.03.2008 12:25, celkem upraveno 1 x.

Uživatelský avatar
pelen
Test driver
Test driver
Příspěvky: 9259
Registrován: 02.02.2008 03:18
Bydliště: Nový Jičín
Kontaktovat uživatele:

Re: Chybí mínus na relé žhavení

Příspěvek od pelen » 29.02.2008 23:16

Melo by to byt rizeno jen teplotnim senzorem na hlave motoru.
Senzor teploty hlavy CHT:
Přílohy
CHT sensor 1.jpg
CHT sensor 1.jpg (6.76 KiB) Zobrazeno 4057 x
CHT senzor.jpg
CHT senzor.jpg (11.1 KiB) Zobrazeno 4062 x
Ford Mondeo Combi 2.0 TDCi 12/2005, 85kW, Diamond White
Obrázek
Obrázek

nextn
Nováček
Nováček
Příspěvky: 9
Registrován: 28.02.2008 21:07

Re: Chybí mínus na relé žhavení

Příspěvek od nextn » 02.03.2008 20:33

Tak žhavení funguje.Byl to snímač teploty.Starty stále nic moc.Jdu koupit baterku.Při startu klesá někam k osmi voltům a nabíječka hlásí po čtyřech hodinách plný stav.

Uživatelský avatar
pelen
Test driver
Test driver
Příspěvky: 9259
Registrován: 02.02.2008 03:18
Bydliště: Nový Jičín
Kontaktovat uživatele:

Re: Chybí mínus na relé žhavení

Příspěvek od pelen » 02.03.2008 20:53

Hlavne, ze jsi na to prisel. Baterku kup alespon 70Ah.
Ford Mondeo Combi 2.0 TDCi 12/2005, 85kW, Diamond White
Obrázek
Obrázek

nextn
Nováček
Nováček
Příspěvky: 9
Registrován: 28.02.2008 21:07

Re: Chybí mínus na relé žhavení

Příspěvek od nextn » 02.03.2008 21:04

Zatím si pořád nejsem jistej.Pročítám tady sekci Akumulátor a vzhledem k životnosti koupím asi originál.Vydržela osm let.Chudinka.Pak jedině startér

Uživatelský avatar
pelen
Test driver
Test driver
Příspěvky: 9259
Registrován: 02.02.2008 03:18
Bydliště: Nový Jičín
Kontaktovat uživatele:

Re: Chybí mínus na relé žhavení

Příspěvek od pelen » 02.03.2008 22:07

8 let vydrzela, protoze do aut jde 1. jakost, do nahradnich dilu jdou uz ty horsi.
Ford Mondeo Combi 2.0 TDCi 12/2005, 85kW, Diamond White
Obrázek
Obrázek

nextn
Nováček
Nováček
Příspěvky: 9
Registrován: 28.02.2008 21:07

Re: Chybí mínus na relé žhavení

Příspěvek od nextn » 02.03.2008 22:13

Tak jinou?Jakou?

Uživatelský avatar
pelen
Test driver
Test driver
Příspěvky: 9259
Registrován: 02.02.2008 03:18
Bydliště: Nový Jičín
Kontaktovat uživatele:

Re: Chybí mínus na relé žhavení

Příspěvek od pelen » 02.03.2008 22:28

Podivej se do sekce baterie, tam najdes dost nazoru. Mela by to byt baterie s kalciem, protoze potrebuje o cca 0,2-0,3V vyssi nabijeci napeti a nabijeni u Focusu je na toto napeti nastaveno. Ja jsem tam dal obycejnou, protoze se musi uz trvale svitit svetly a napeti zhruba o tento rozdil pri sviceni klesne.
Ford Mondeo Combi 2.0 TDCi 12/2005, 85kW, Diamond White
Obrázek
Obrázek

nextn
Nováček
Nováček
Příspěvky: 9
Registrován: 28.02.2008 21:07

Re: Chybí mínus na relé žhavení

Příspěvek od nextn » 02.03.2008 22:51

A jaký máš u obyč baterie startovací proud?respektive kolik může být nejméně.Načteno už mám.

Uživatelský avatar
pelen
Test driver
Test driver
Příspěvky: 9259
Registrován: 02.02.2008 03:18
Bydliště: Nový Jičín
Kontaktovat uživatele:

Re: Chybí mínus na relé žhavení

Příspěvek od pelen » 02.03.2008 23:11

cca 680A
Ford Mondeo Combi 2.0 TDCi 12/2005, 85kW, Diamond White
Obrázek
Obrázek

nextn
Nováček
Nováček
Příspěvky: 9
Registrován: 28.02.2008 21:07

Re: Chybí mínus na relé žhavení

Příspěvek od nextn » 04.03.2008 16:06

Tak baterka je nová.Raní start stále není 100%,ale je to lepší.Opravář mi nabíd,že při další prohlídce zkontroluje startér.Jinak sem aspoň po přečtení fóra zprovoznil asi po roce DO k autu.

Uživatelský avatar
pelen
Test driver
Test driver
Příspěvky: 9259
Registrován: 02.02.2008 03:18
Bydliště: Nový Jičín
Kontaktovat uživatele:

Re: Chybí mínus na relé žhavení

Příspěvek od pelen » 04.03.2008 19:34

Jako dalsi bych zkontroloval a ocistil ukostreni baterky i starteru.
Ford Mondeo Combi 2.0 TDCi 12/2005, 85kW, Diamond White
Obrázek
Obrázek

Odpovědět

Zpět na „Motor“

Kdo je online

Uživatelé prohlížející si toto fórum: Žádní registrovaní uživatelé a 2 hosti