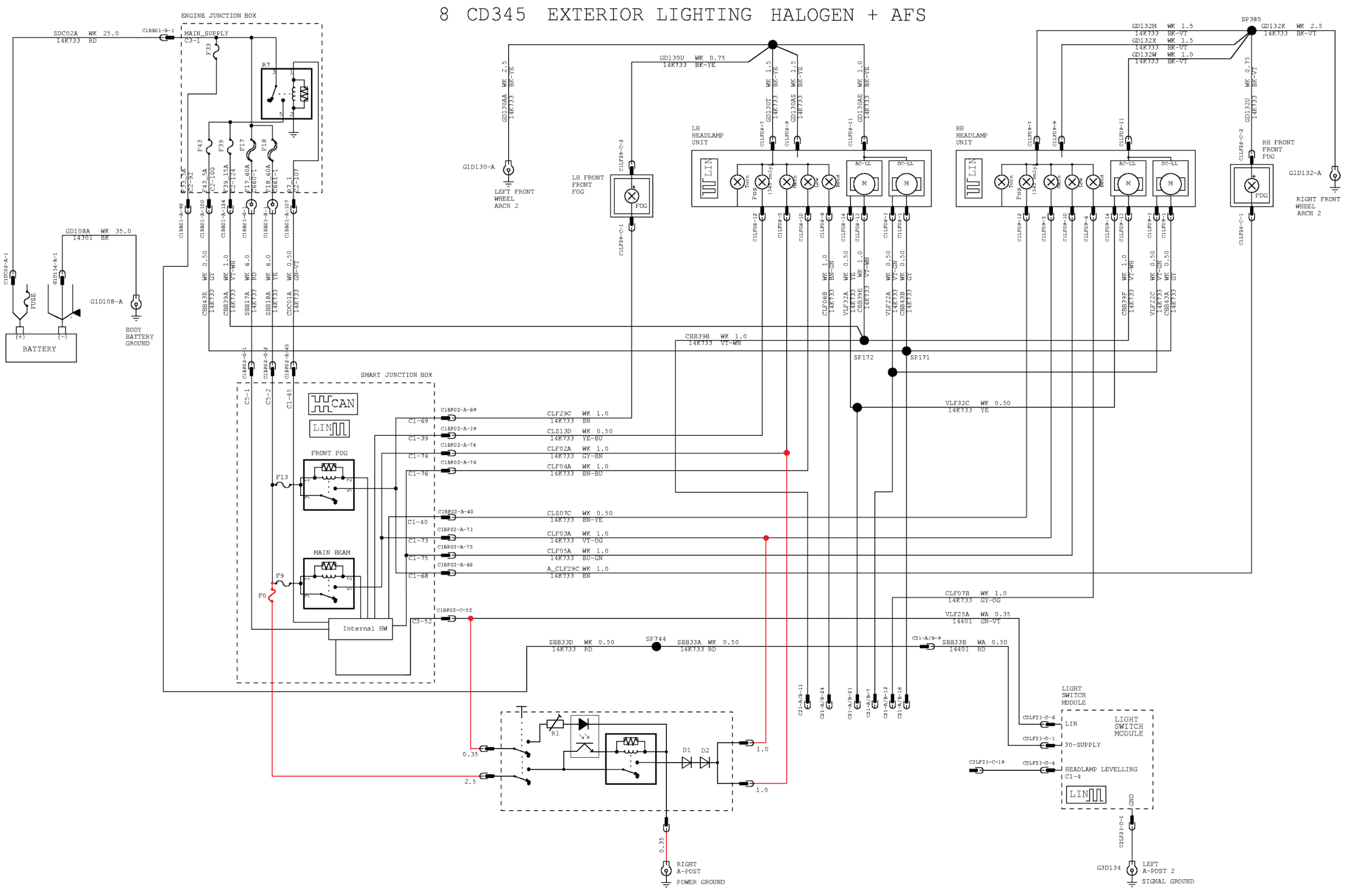
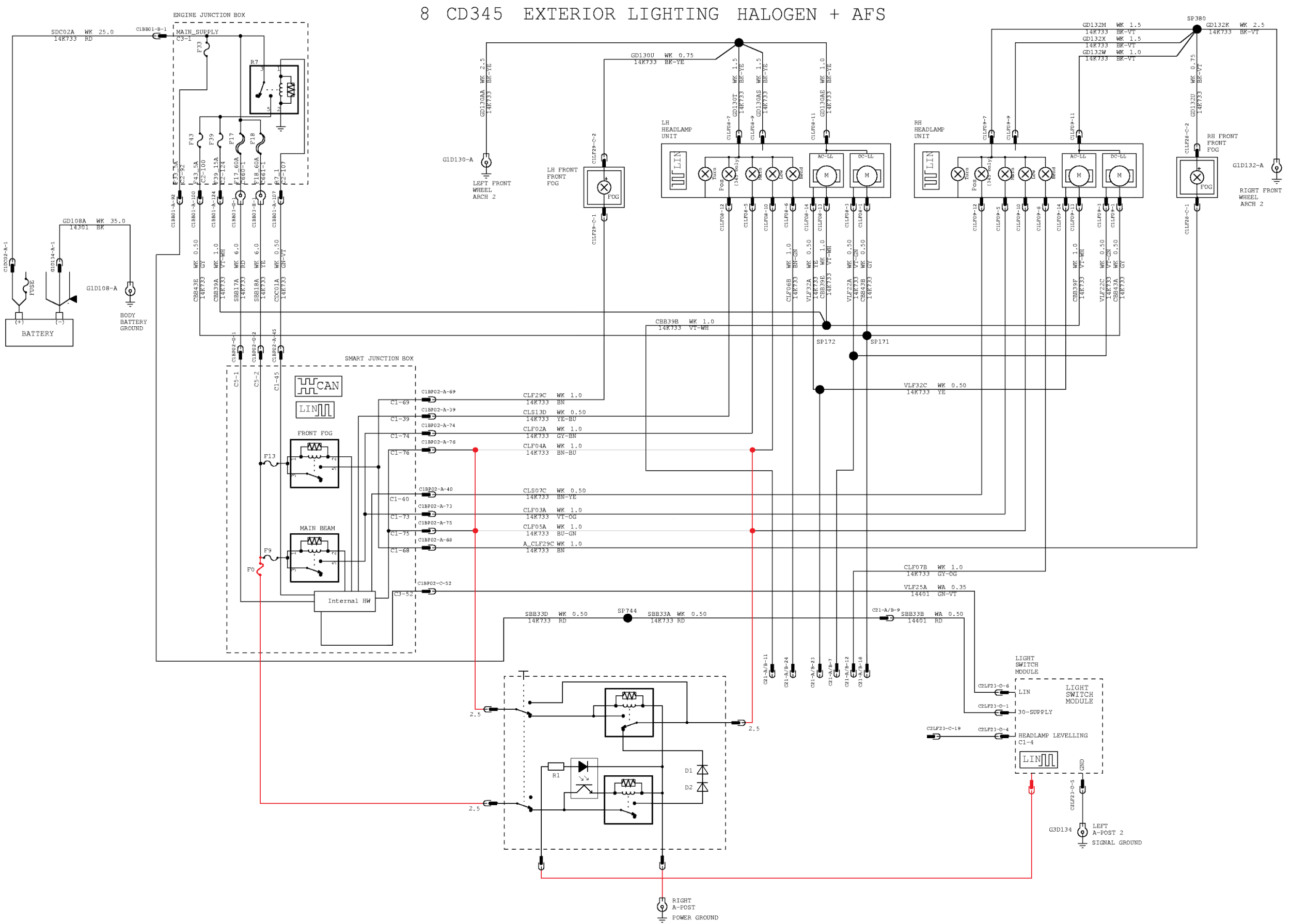
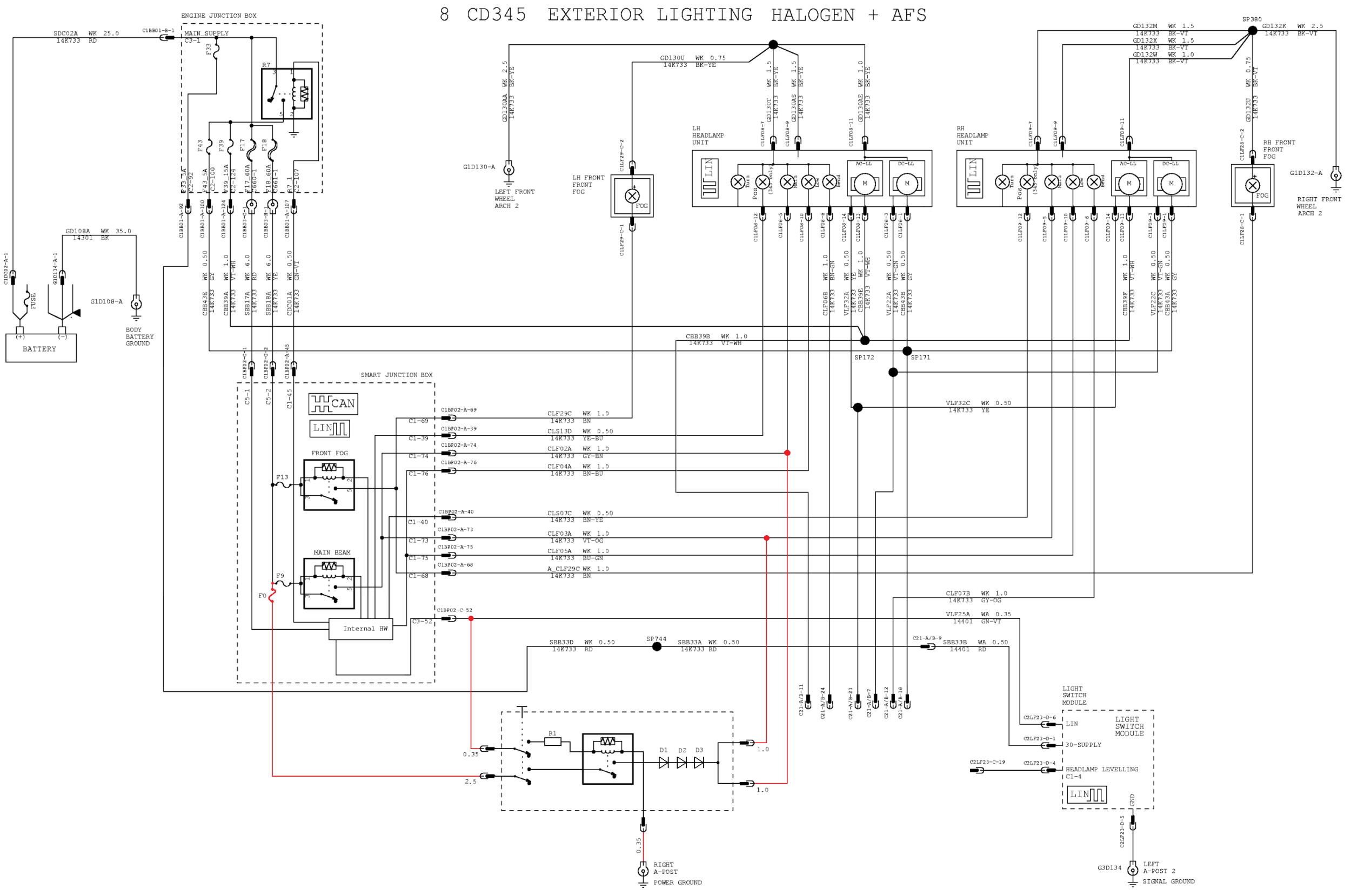
Pokud by se dalo na přepínači modulu světel zjistit jestli je právě v režimu AUTO, tak by se za pomocí relé dal celý systém upravit tak, aby natáčení světel fungovalo pouze při šeru a za tmy, přitom světla svítila po celou dobu.
Chtěl abych aby celé řešení mělo následující vlastnosti:
- světla svítila i v poloze AUTO
- v poloze AUTO bylo za dne bylo deaktivované natáčení čoček a "cornering lights"
- ostatní režimy nechat tak jak jsou (i kvůli STK apod.)
- BONUS: v režimu AUTO za dne svítit na cca 70% jinak 100% (prodloužení životnosti žárovek s vyšší svítivostí - ta se opravdu hodí jen v noci)
- možnost jednoduchého odpojení
- minimální zásah do kabeláže (ideálně nic neprotahovat do motorové části)
- nechci navázat rozsvěcování světel na startování motoru (žárovky, baterka ani startér mi nepoděkují)
- při přepínání na AUTO režim světla s AFS projdou vyhledáním středové polohy světla, tzn budou svítit rovně :)
Možná realizace:
Navrhnul jsem schéma, které by všechno tohle mohlo splňovat, nicméně ještě to není kompletně doladěné. Trápí mne hlavně následující věci:
- nevím jak vnitřně funguje modul světel a vodič vedoucí do BCM - to budu muset nějak proměřit či rozebrat a pokusit se vypočítat R1. Případně kompletně předělat spínání relé na schématu. Neví o tom někdo něco víc?
- tak jak to mám nakreslené bohužel mám paralelně F0 a F9, a to je špatně :/ - budu muset najít vhodnou odbočku na malé pojistky ale bez té druhé zapojené pojistky :)
- počet diod asi bude záviset na jejich úbytku napětí, viděl bych 2 při úbytku 1,5V na každé. Při jízdě by to pak dávalo kolem 11V, což bude OK.
- Jako vhodnou diodu bych asi vybral tuto. 16A by mělo na obě světla stačit. Možná ideálně stejné ampéry jako bude mít pojistka před diodami.
- Nebo tam případně hodit rezistor
- Trochu se bojím systému, který hlídá prasklé žárovky, jestli mu to nebude nějak vadit.
Co myslíte, není tam nějaká úplná hovadina? Případně nepokoušel se někdo o něco podobné, ať tady nevynalézám už hotové řešení?




