chlazení nebo topení ?? - porucha
-
- Nováček
- Příspěvky: 5
- Registrován: 31.03.2008 11:55
chlazení nebo topení ?? - porucha
Motor se mi velmi rychle ohřeje na provozní teplotu cca už po 2 km (což dříve trvalo mnohem déle) ale nepřehřívá se a topení vůbec netopí.Podle mě se jen ohřeje část chl.kapaliny proto to rychlé ohřátí a termostat nejspíš funguje správně.Vypadá to jako by byl zavřený vstup do topení,ale dočetl jsem se zde,že je tam pouze klapka a voda v topení cirkuluje stále.Vrchní hadice co vede do nádržky(vracečka?) je stále studená.Ve třech servisech mi řekli,že je to nějaký divný a musejí vše vyzkoušet,takže pokus-omyl,což se mi moc nechce.Chtěl jsem mít aspon trošku jistotu o co jde.Zde ve foru jsem nic se stejnou závadou nenašel,proto dík za každý poznatek.
Ford Focus TDCI-85 Kw,2002 combi
- Marko
- Nováček
- Příspěvky: 71
- Registrován: 03.02.2008 21:09
Re: chlazení nebo topení ?? - porucha
Zavzdusnene??? Malo kvapaliny??? Alebo take banality mas skontrolovane?
Mondeo 2.0 TDCi 110 kW prepnute na 132 kW, 2015 Titanium, Deep impact blue.
Fiesta 1.4 71 kW, 2012 red
Bolo:
Focus, 1,8 TDCi 74kW, 2003, atollgreenmetalic
Orion 1.6 D
Fiesta 1.4 71 kW, 2012 red
Bolo:
Focus, 1,8 TDCi 74kW, 2003, atollgreenmetalic
Orion 1.6 D
-
- Nováček
- Příspěvky: 5
- Registrován: 31.03.2008 11:55
Re: chlazení nebo topení ?? - porucha
Kde se odvzdušnuje chladící kapalina? Dík.
Ford Focus TDCI-85 Kw,2002 combi
-
- Nováček
- Příspěvky: 5
- Registrován: 31.03.2008 11:55
Re: chlazení nebo topení ?? - porucha
Už jsem to našel-nikde,mělo by se to odvzdušnit samo.
Ford Focus TDCI-85 Kw,2002 combi
- zewl
- Test driver
- Příspěvky: 8644
- Registrován: 02.02.2008 03:18
- Bydliště: Olomouc
- Kontaktovat uživatele:
Re: chlazení nebo topení ?? - porucha
to vis ze se to da i odvzdusnit rychle rucne
Navod na odvzdusneni najdes tady

- pelen
- Test driver
- Příspěvky: 9259
- Registrován: 02.02.2008 03:18
- Bydliště: Nový Jičín
- Kontaktovat uživatele:
Re: chlazení nebo topení ?? - porucha
Michal9, mel jsem stejne priznaky a nakonec to bylo toto:
chladici kapalina ubyvala tak, ze nedosahovala do radiatoru pro ohrev vzduchu do kabiny. Mrkni se na vyrovnavaci nadobku, ja jsem to hned neudelal a nakonec jsem doleval cca 2-3 litry, pak jsem musel nechat vymenit kousek hadicky od termostatu, mela prasklinu.
chladici kapalina ubyvala tak, ze nedosahovala do radiatoru pro ohrev vzduchu do kabiny. Mrkni se na vyrovnavaci nadobku, ja jsem to hned neudelal a nakonec jsem doleval cca 2-3 litry, pak jsem musel nechat vymenit kousek hadicky od termostatu, mela prasklinu.
-
- Nováček
- Příspěvky: 5
- Registrován: 31.03.2008 11:55
Re: chlazení nebo topení ?? - porucha
V servise mi řekli,že je pravděpodobně je neprůchozí výměník tepla
Je vůbec možné aby zarostl nebo k tomu došlo? Co jsem se zde dočetl tak výměna je asi pěkná pakárna.Má s tím někdo zkušenosti a šlo mu to vyčistit nebo se musí koupit nový? Díky.

Ford Focus TDCI-85 Kw,2002 combi
- pelen
- Test driver
- Příspěvky: 9259
- Registrován: 02.02.2008 03:18
- Bydliště: Nový Jičín
- Kontaktovat uživatele:
Re: chlazení nebo topení ?? - porucha
Kdyz mas kapalinu ve vyrovnavaci nadrzce, pak by to mohl byt nepruchozi radiator. Nez bych sel do jeho vymeny, tak bych celou soustavu vycistil. Kdysi u S105 jsem pouzil tabletky, ktere se pouzivaly na odstraneni vodniho kamene u automatickych pracek. Po ujeti cca 800 km jsem na parkovisti vypustil chladici kapalinu - tekla uplna hneda sracka. Nalil jsem cistou destilku a rychle jsem z mista vypusteni odjel. Po dalsim ujeti nekolika set km jsem destilku vypustil, tekla uz cista a naplnil jsem nemrznouci smes. Od te doby snad sla auto chemie dopredu a nejake cistici prostredky na pumpach sezenes.
-
- Nováček
- Příspěvky: 5
- Registrován: 31.03.2008 11:55
Re: chlazení nebo topení ?? - porucha
Hm,zkusím se po něčem podívat,díky.
Ford Focus TDCI-85 Kw,2002 combi
- ventil
- Nováček
- Příspěvky: 28
- Registrován: 02.02.2008 03:18
Re: chlazení nebo topení ?? - porucha
tak tento problem mam aj ja.
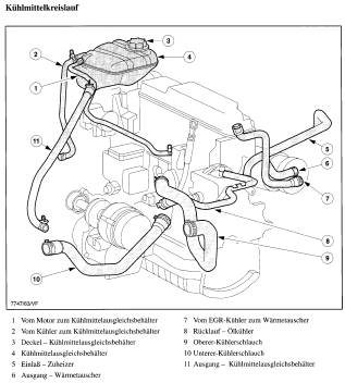
tak vcera som menil gumy a pozrel som na ten vymennik od motora. fakt je ze pristup tam je naprd. ale podarilo sa mi ho nafotit a zaroven som zistil ze po zahriati auta cca 5 min som mal 1 hadicu (vrchna) k vymenniku teplu a 2 hadicu (spodna) studenu.ta vrchna ide do vymennika od olejoveho chladica a z vymennika ide do PRESNE NEURCENEHO ZARIADENIA ktore som si odfotil nakolko nemam sajnu co to je??? posielam foto a ak tak to dam aj na forum nech aj statn vidia ako a kde je co.(tema topenie a pod.). skus poradit co to moye byt nakolko su ktomu pripojene 2 kable .
nemoze to byt neaky ventil??? ktory reguluje popripade otvara prietok vody????
look foto
tak vcera som menil gumy a pozrel som na ten vymennik od motora. fakt je ze pristup tam je naprd. ale podarilo sa mi ho nafotit a zaroven som zistil ze po zahriati auta cca 5 min som mal 1 hadicu (vrchna) k vymenniku teplu a 2 hadicu (spodna) studenu.ta vrchna ide do vymennika od olejoveho chladica a z vymennika ide do PRESNE NEURCENEHO ZARIADENIA ktore som si odfotil nakolko nemam sajnu co to je??? posielam foto a ak tak to dam aj na forum nech aj statn vidia ako a kde je co.(tema topenie a pod.). skus poradit co to moye byt nakolko su ktomu pripojene 2 kable .
nemoze to byt neaky ventil??? ktory reguluje popripade otvara prietok vody????
look foto
Ford Focus I Combi 1.8 TDDi, 2002
- foki
- Admin
- Příspěvky: 19257
- Registrován: 02.02.2008 03:18
- Bydliště: České Budějovice
- Kontaktovat uživatele:
Re: chlazení nebo topení ?? - porucha
to je predehrev vody u tddi
Odpovědi lehké - 100,- Kč
Odpovědi, při kterých
se musí myslet - 240,- Kč
Vážné odpovědi - 340,- Kč
Odpovědi na hloupé
a zbytečné otázky - 400,- Kč
specialní sazba :
otázka, na kterou jsem už dříve odpověděl - 500 Kč
Odpovědi, při kterých
se musí myslet - 240,- Kč
Vážné odpovědi - 340,- Kč
Odpovědi na hloupé
a zbytečné otázky - 400,- Kč
specialní sazba :
otázka, na kterou jsem už dříve odpověděl - 500 Kč
- Gromik
- Pokročilý
- Příspěvky: 930
- Registrován: 22.07.2008 08:46
- Bydliště: Zlín
- Kontaktovat uživatele:
Re: chlazení nebo topení ?? - porucha
Michal9: Měl jsem podobný (ne-li stejný) problém s mým FoFo II. Z topení šel stále jen studený vzduch - nakonec se ukázalo, že se přetrhlo nějaké lanko v otočném voliči teploty a ten zůstal v poloze "studeno" , takže naštěstí banalitka ... viz. tady http://forum.ford-focus.cz/viewtopic.ph ... 92#p247092
- pelen
- Test driver
- Příspěvky: 9259
- Registrován: 02.02.2008 03:18
- Bydliště: Nový Jičín
- Kontaktovat uživatele:
Re: chlazení nebo topení ?? - porucha
Kde ten predehrev je? Myslim, ze ho tam vubec nemam. 

- ventil
- Nováček
- Příspěvky: 28
- Registrován: 02.02.2008 03:18
Re: chlazení nebo topení ?? - porucha
nazdar pani. tak tento isty problem mam aj ja. skusil som uz vypustit chl.kvapalinu a dat fungel novu, vymenil som termostat , odvzdusnoval som viac ako 25 min a satle nic.skontroloval som aj tiahla na klapku cold/warm a nic. nakoniec som s otcom dosiel k takej otazocke ci nebude v prdeli vodne cerpadlo??? skusil som odpojit hadicu od vymennika a ziadna voda nesla von. tak sme hladali dalej a nakoniec sme odpojili hadicu od motora ktora tlaci vodu do predohrevu vody a dalej do vymennika tepla ,dalej do olejoveho chladica atd.Nastartoval som ale ziadna voda nikde.dosli sme k nazoru ze asi najskor je v prdeli vodne cerpadlo ale pre uistenie potrebujem vediet ako sa chova OK cerpadlo t.j. ma tlacit vodu neakym tlakom??? nam to netlacilo asi 1 min po nastartovani a az potom zacalo ale len akoby plut a nie striekat.na obrazku je znazornene o ktorej hadici hovorim.
vdaka za odpoved
vdaka za odpoved
Ford Focus I Combi 1.8 TDDi, 2002
- pelen
- Test driver
- Příspěvky: 9259
- Registrován: 02.02.2008 03:18
- Bydliště: Nový Jičín
- Kontaktovat uživatele:
Re: chlazení nebo topení ?? - porucha
Kde je ten predehrev?
- Přílohy
-
- chlazeni TDDi.jpg (23.52 KiB) Zobrazeno 6996 x
Kdo je online
Uživatelé prohlížející si toto fórum: Bing [Bot] a 0 hostů