Tempomat

Odpovědět
Uživatelský avatar
Anduril
Test driver
Test driver
Příspěvky: 5096
Registrován: 07.11.2009 16:56
Bydliště: Ostrava

Re: Tempomat

Příspěvek od Anduril » 15.05.2011 21:27

Zalezi na koho narazis. Jezdim do Fordu na servis, se vsim, a jejich pristup byl vzdy velmi vstricny a vyhoveli mi i s takovyma hovadinama, jako je aktivace nejakych "nemoznych" funkci. A cenove se to skoro nebo vubec nelisi od neoriginalnich servisu. Dokonce mnoho veci mi udelali zadarmo, protoze tam jezdim na servisni prohlidky.
Je: Ford Focus IV Active X 1.5 EcoBoost 110kW Metallic (galerie)
Byl: Ford Focus III Titanium 1.6 EcoBoost 134kW Colorado (galerie)
Byl: Ford Focus II Trend X 1.6 74kW Avalon (galerie)

KUTY

Re: Tempomat

Příspěvek od KUTY » 15.05.2011 21:57

Anduril píše:...protoze tam jezdim na servisni prohlidky.
a prave o tom to je...ako ked pride pipina na doliatie kvapaliny do ostrekovacov a obskakuju okolo nej, pretoze sa nevyzna a zaplati aj umytie celneho skla

snad sa ti budu takto venovat aj po skonceni zaruky...

Uživatelský avatar
Anduril
Test driver
Test driver
Příspěvky: 5096
Registrován: 07.11.2009 16:56
Bydliště: Ostrava

Re: Tempomat

Příspěvek od Anduril » 15.05.2011 22:01

jasne ze budou, budu tam jezdit menit olej i po skonceni zaruky (mam uz stejne ale jen Ford Protect) pokud jeste auto budu mit a jsou tam proste takovi lide, to uz je vyzkousene. Nevim, proc bych se mel zabyvat nejakym jinym neoriginalnim servisem, kdyz jsem spokojen a nestoji me to ani o nic moc vice..
Je: Ford Focus IV Active X 1.5 EcoBoost 110kW Metallic (galerie)
Byl: Ford Focus III Titanium 1.6 EcoBoost 134kW Colorado (galerie)
Byl: Ford Focus II Trend X 1.6 74kW Avalon (galerie)

Uživatelský avatar
Giggo
Zkušený
Zkušený
Příspěvky: 1215
Registrován: 06.02.2011 09:43
Bydliště: Praha

Re: Tempomat

Příspěvek od Giggo » 16.05.2011 13:26

Zbytečně se tu nedohadujte stejně je to topic o tempomatech :)
V servisech jako všude jinde je to o lidech, takže i origo servis někde zkusí něco a vyhoví Ti někde ne. Neorigo zkusí lecos, protože nějaký kšefty brát musí.

Rudko.f K Tvojí aktualizaci příspěvku. Zkus nejen aktualizovat, ale i číst. Odpovídali sme Ti hned pod tvým příspěvkem.

Evil_666 Kdybys nikde nic nenašel, tak si udělej výlet do krásný historický Třebíče, tam Ti to klidně domluvím.
Mondik IV. 2011 2.0 TDCi 120kW
dříve FoFo II. 2006 1.6 TDCi 80kW@106kW

Uživatelský avatar
rudko.f
Nováček
Nováček
Příspěvky: 71
Registrován: 14.07.2009 21:12
Bydliště: Ružomberok

Re: Tempomat

Příspěvek od rudko.f » 16.05.2011 14:25

Giggo píše:Rudko.f K Tvojí aktualizaci příspěvku. Zkus nejen aktualizovat, ale i číst. Odpovídali sme Ti hned pod tvým příspěvkem.
Dakujem za odpoved,
cital som aj to co si odpisal, kde si akurat skonstatoval ze obrazok s typmi GEMov je vlastne na prd, lebo ide spojazdnit aj ine verzie...

a postak napisal nech si skontrolujem osadenie pinu C103 a zavedenie kablov az pod volant.

kedze som si neni isty co vsetko tym myslel tak som urobil nejake foto...
FordFocus C-Max 1,6 TDCi 110k, 10/2005.............Obrázek
Obrázek

Uživatelský avatar
Giggo
Zkušený
Zkušený
Příspěvky: 1215
Registrován: 06.02.2011 09:43
Bydliště: Praha

Re: Tempomat

Příspěvek od Giggo » 16.05.2011 15:23

Ah ok, to promiň.

Osazení pinů na konektoru C103 poznáš jen když odpojíš ten velkej "modrej" kabel a pod ním najdeš piny, kterýžto sou buď obsazený nebo prázdný.

Kabely pod volant sou OK.

Takže tempomat by Ti na 90% měl jít, stejně jako mě.
Mondik IV. 2011 2.0 TDCi 120kW
dříve FoFo II. 2006 1.6 TDCi 80kW@106kW

Uživatelský avatar
rudko.f
Nováček
Nováček
Příspěvky: 71
Registrován: 14.07.2009 21:12
Bydliště: Ružomberok

Re: Tempomat

Příspěvek od rudko.f » 16.05.2011 15:32

Giggo píše:Osazení pinů na konektoru C103 poznáš jen když odpojíš ten velkej "modrej" kabel a pod ním najdeš piny, kterýžto sou buď obsazený nebo prázdný.
Takze C103 je ten velky modry konektor, nie kabel, ci? a ktore piny maju byt osadene, lebo tam ide hruby zvazok kablov, t.z. niektore su osadene.
FordFocus C-Max 1,6 TDCi 110k, 10/2005.............Obrázek
Obrázek

Uživatelský avatar
Giggo
Zkušený
Zkušený
Příspěvky: 1215
Registrován: 06.02.2011 09:43
Bydliště: Praha

Re: Tempomat

Příspěvek od Giggo » 16.05.2011 15:34

JJ je to ten velkej modrej konektor do kterýho vede hafo kabelů. Tempomatový piny mají čísla 10 a 18. Někde tu byla i fotka toho, bohužel né v tomto topicu takže se mi nedaří ju najít :(
Mondik IV. 2011 2.0 TDCi 120kW
dříve FoFo II. 2006 1.6 TDCi 80kW@106kW

Uživatelský avatar
postak
Test driver
Test driver
Příspěvky: 2143
Registrován: 22.11.2008 15:55
Bydliště: Třinec

Re: Tempomat

Příspěvek od postak » 16.05.2011 15:52

rudko.f tady je pojistkovka, která se nachází pod nohama spolujezdce http://www.ford-focus.cz/forum/viewtopi ... 35#p563439

Drží ji jakoby 2 křídlové matice, které povolíš a vyklopíš celý GEM s pojistkama. Ten kabel v konektoru C103 na kterém potřebuješ zkontrovlovat piny 10 a 18 je úplně vlevo viz. foto

Držím ti pěsti aby ti to vyšlo :wink: :palec_nahoru:

Uživatelský avatar
rudko.f
Nováček
Nováček
Příspěvky: 71
Registrován: 14.07.2009 21:12
Bydliště: Ružomberok

Re: Tempomat

Příspěvek od rudko.f » 16.05.2011 19:51

postak píše:rudko.f tady je pojistkovka, která se nachází pod nohama spolujezdce http://www.ford-focus.cz/forum/viewtopi ... 35#p563439

Drží ji jakoby 2 křídlové matice, které povolíš a vyklopíš celý GEM s pojistkama. Ten kabel v konektoru C103 na kterém potřebuješ zkontrovlovat piny 10 a 18 je úplně vlevo viz. foto

Držím ti pěsti aby ti to vyšlo :wink: :palec_nahoru:
Pozri sa prosim na moje foto na strane 32 (co je GEM som uz pochopil aj nasiel :) ) podla foto ktorej link mi posielas je konektor C103 ten modry vlavo, nie ten velky modry vedla neho ako som to pochopil z Giggovho popisu. Len sa chcem uistit. A tie piny su aj niejako ocislovane aby som zistil ktore su 10 a 18?
FordFocus C-Max 1,6 TDCi 110k, 10/2005.............Obrázek
Obrázek

Uživatelský avatar
postak
Test driver
Test driver
Příspěvky: 2143
Registrován: 22.11.2008 15:55
Bydliště: Třinec

Re: Tempomat

Příspěvek od postak » 16.05.2011 20:00

Je to ten úplně vlevo, který jsem ti poslal já, ne ten největší, který sis asi myslel že to je :)

A kabely pod volantem taky máš, je to ten bílý a hnědý, pin 4 a 5, a GEM máš CF, já mysllím, že to půjde, takže sežeň volant, vytiskni návod, zajeď k dealerovi Ford a máš tempomat. To si myslím já :cooler:

A ty piny jsou označené vždy na krajích, takže pin 1 najdeš pin 10 a 18 odpočítáš

Uživatelský avatar
Giggo
Zkušený
Zkušený
Příspěvky: 1215
Registrován: 06.02.2011 09:43
Bydliště: Praha

Re: Tempomat

Příspěvek od Giggo » 16.05.2011 21:28

Rudko.F jj je to ten uplně vlevo. Já se omlouvám za mistifikaci s tím největším. Už je dotáhnout jak pise Postak a ejnoy :)
Mondik IV. 2011 2.0 TDCi 120kW
dříve FoFo II. 2006 1.6 TDCi 80kW@106kW

Uživatelský avatar
Samantus
Junior
Junior
Příspěvky: 294
Registrován: 02.02.2008 03:18
Bydliště: Choltice-Svincany

Re: Tempomat

Příspěvek od Samantus » 24.06.2011 17:19

tak sem si to tady trochu procetl a znova pro blby opakuji: TO JESTLI VASE AUTO MA PALUBAK NEBO NE JE GLANCPRDEL, NA ZPROVOZNENI TEMPOMATU TO NEMA VLIV!!!!!!!

jinak pokud probehne programovani zejmena PCM a GEM, tak mate vyhrano, pokud to selze pri programovani IC, tedy budiku, tak se Vam akorat nebude rozsvecet kontrolka, jinak vse makat bude..... tot vse..

pokud se uspesne nenaprogramuje GEM tak jste v hajzlu a zkusit sehnat jinej..

pokud probehne cely programovani a tempomat stejne nejede, tak neni osazena kabelaz tempomatu a to ten bilej a hnedej kabel.....

jak se jinak mate? :-D :-D me ty koncernovy kramy desne serou, ja chci zpet k fordu!!! :-D :-D
Martin :-)

Ford Focus Combi 2016 1.6 Ti-VCT
Ford Focus CC 2006 1.6i

Uživatelský avatar
postak
Test driver
Test driver
Příspěvky: 2143
Registrován: 22.11.2008 15:55
Bydliště: Třinec

Re: Tempomat

Příspěvek od postak » 24.06.2011 17:59

To je náhodička Samantusi :D Nechceš se přijet podívat do Slezska :?: Do Třince :?: Za postakem :?: :mrgreen: Dneska tady začíná rockový festival "Noc plná hvězd" můžeš tady přespat, zakalíme a přijednom vem sebou IDSku (nekdě splaš) a můžeš se mi podívat na tempomat :mrgreen:

Jezdím jako blb :dih: už 2 měsíce s volantem s tempomatem a pořád to nefičí. U mě je stav takový, že už neřeším nic zhruba 1 a půl. Mám v plánu ještě navštívit kámoše ve Fordu a zkusit ještě jednou IDS.

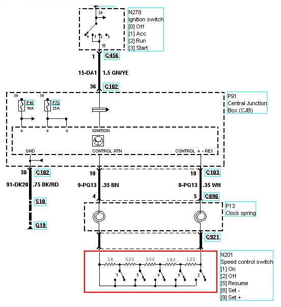
A co se týče mě, tak podle vyjádření technika z Fordu, ve kterém mi to dělali, tak je to vše povoleno a nejede to. Co se týče kabelu, tak ty mám na 100% v pořádku, protože jsem použil ohmmetr, vytáhnul konektor C103 z GEMu napíchl piny 10 a 18 a mačkal jsem tlačítka, a odpory jsou v pořádku podle schématu tempomatu, viz. hodnoty v červeném poli.

Samantusi nemůže mi v GEMu chybět nějaká pojistka nebo relátko :?: Není i tohle možnost :?:
Přílohy
tempomat_ovladani.jpg

MK2
Test driver
Test driver
Příspěvky: 4585
Registrován: 01.09.2008 20:30
Bydliště: Kolín, Nedašov

Re: Tempomat

Příspěvek od MK2 » 24.06.2011 18:39

Chci ten tempomat na dálkovém ovladači radia, kdo mi to zprovozní :?: :bravo22:
Já se f tom nebudu rýpat :nnou:
2012 Mazda 3 2.0DISI 111kW

Odpovědět

Zpět na „Focus - interier - 2004 - 2011“

Kdo je online

Uživatelé prohlížející si toto fórum: Žádní registrovaní uživatelé a 1 host