automatické rozsvícení světel
- Wall-e
- Junior

- Příspěvky: 268
- Registrován: 09.09.2008 17:17
- Bydliště: Praha 10
- Kontaktovat uživatele:
Re: automatické rozsicení světel
sorry, jsem tu docela novej a ještě jsem neměl podpejsek.... 
- pitrss
- Nováček

- Příspěvky: 130
- Registrován: 02.02.2008 03:18
- Bydliště: Poděbrady
Re:
Tak dnes jsem zapojil ARS-SMART do svýho fíkamontaž opravdu jednoducha-navod bezvadne sedí,když je všechno pripraveny /rychlosponky ,kabilky atd/ tak je to prace tak na pul hodky a musim říct že to funguje paradně, přesně podle navodu,ale budu si na to,že nemusim zapínat spínač světel chvilku zvykat,jinak je to super,nastartuješ a během 3vteřin se rozsvítěj světla parada,tímto děkuji sa supr navod kuliskovi 111kulisek111 píše:Tak konečně zasílám slíbené zapojení automatického rozsvěcování světel ARS-SMART. Modul sepne světla pár vteřin po nastartování a rozsvítí se tlumené světlomety a obrysové světla jak přední tak i zadní, rozsvítí se celá přístrojová deska a lze přepínat mezi dálkovými a tlumenými aniž by se musel zapínat hlavní vypínač, po vypnutí motoru všechna světla zhasnou. Napájecí napětí je 9 až 15V, maximální zatížení konektorů relé 30A/6A a provozní teplota –40 až +80oC
Dostat se k vypínači světel je velmi jednoduché proto ho nebudu popisovat, jistě už to tu bylo i někde řečeno.
Potřebný materiál: 5 ks kablíku, 5 ks autoelektrikařských rychlospojek (nebo lze i napájet – což ale trvá i díl) a kdo by chtěl tak vypínač na kostru pro případ, že budete dělat něco na autě tak aby se vám nerozsvěcovali světla.
Napájecí napětí je 9 až 15V, maximální zatížení konektorů relé 30A/6A a provozní teplota –40 až +80oC
Po vyndání vypínače a odpojení od konektoru najdeme na vnitřku vypínače u jazýčků pro konektory číselné označení kontaktu, podle kterého se budem řídit.
Svorku č.1 připojíme za klíček zapalování – číslo kontaktu 15, barva vodiče zelenočerný - svorka na které se po otočení klíčku objeví napětí
Svorku č.2 připojíme na kostru – číslo kontaktu 31, barva vodiče černá
Svorku č. 3 připojíme na trvalé napětí – číslo kontaktu 30, barva vodiče oranžnočerný - svorka na které je trvalé napětí i při vypnutém zapalování
Svorku č.4 připojíme na hlavní světlomety - číslo kontaktu 56, barva vodiče zelenočervený
Svorku č.5 připojíme na obrysová světla – číslo kontaktu 58, barva vodiče oranžnočerný
Celé zapojení je velice jednoduché a pomocí autoelektr. rychlospojek i rychlé. Hodně štěstí při montáži
- Tibike1x
- Nováček

- Příspěvky: 12
- Registrován: 11.08.2008 19:27
Re: automatické rozsicení světel
Mam vo vybave C-MAX dazdovy senzor a "automaticke svetla". Lenze tieto svetla zapnu az ked je tma a zhasnu ked svieti svetlo. Nevie niekto poradit ako ich presvedcit aby zapli a zostali zapnute az pokial nevypnem zapalovanie?
Focus C-max Ghia 1,6 TDCI 80 Kw
5,3 L/100 Km - čierna panther, 2004
5,3 L/100 Km - čierna panther, 2004
- Kóťa
- Test driver

- Příspěvky: 9765
- Registrován: 02.02.2008 03:18
- Bydliště: Střední Čechy
- Kontaktovat uživatele:
Re: automatické rozsicení světel
To funguje na setmění.Musel by jsi přelepit ten senzor třeba el.páskou,ale tím si vyřadíš možnost automatického stírání...Takže + - k prdu.Spíš namontovat automatické rozsvěcení světel(hned po nastartování motoru)
-
zirafak
- Test driver

- Příspěvky: 8970
- Registrován: 02.02.2008 03:18
Re: automatické rozsicení světel
Riesenie tvojho problemu najdes tu:Tibike1x píše:Mam vo vybave C-MAX dazdovy senzor a "automaticke svetla". Lenze tieto svetla zapnu az ked je tma a zhasnu ked svieti svetlo. Nevie niekto poradit ako ich presvedcit aby zapli a zostali zapnute az pokial nevypnem zapalovanie?
http://forum.ford-focus.cz/viewtopic.php?f=65&t=7153
- jur
- Nováček

- Příspěvky: 154
- Registrován: 06.02.2008 19:42
- Bydliště: NM SK
Re: automatické rozsicení světel
Chcem si domontovat automaticke zapinanie svetiel a podla vyssie uvedeneho navodu by to slo aj mne so zariadenim ktore som na to kupil ale mam jednu otazku. V konektore spinaca svetiel je pin 52. Ja ho mam nezapojeny ale rad by som vedel na co tam je a ci to nie je pin ktory spina original automaticke svetla. V polohe vypnutych svetiel je spojeny s 15 a pri ostatnych polohach nie co sa mi zda ako lepsia alternativa na pripojenie relatka automatickych svetiel nakolko po zapnuti svetiel vypinacom sa relatko automatickych svetiel odpoji.
- axet
- Nováček

- Příspěvky: 49
- Registrován: 02.02.2008 03:18
- Bydliště: Cana - Slovensko
- Kontaktovat uživatele:
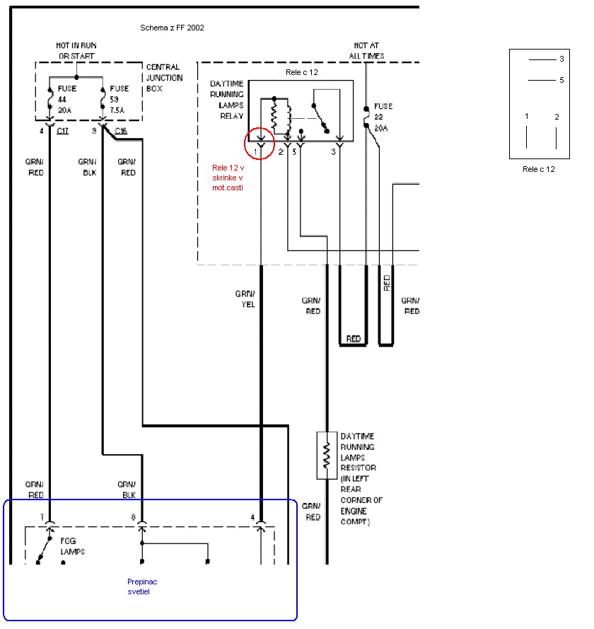
Re: automatické rozsicení světel ala RELE 12 hmm
Takze na obrazku (schema) ako to vidite je zapojenie FF 2002. Ja mam 2003 a v podstate to sedi...a to automaticke zapinanie by aj fungovalo...ale pin 1 rele 12 u mna podla tej schemi tak zapojeny nieje a neviem prist na to kam to je zapojene.
takze
- pin 1 z Rele 12 by mal ist na spinac svetiel ale mne to tam nekonci...
-kabel z tohu pinu 1 ide, len je to nepristupne a nedasa to tak jednoducho rozobrat.
-meral som to ci je to spojene ale nic.
- ak by bol ten pin 1 spojeny tak po otoceni klucom ma byt na nom 12V rele zopne a svietia...
- pin 2 je pripojeni na -(minus) pol
Neviete mi povedat kam je pripojey ten pin 1 z rele 12 ??????
Ford Focus Kombi r.v. 2003 TDCI 85 kw
ps: da sa to obist ale pre istotu chcem vediet kam to je zepojene aby som to urobil tak ako to ma byt.
Ide o to ze som to meral meracim pristrojom a podla schemi by to malo koncit na tej patici ale ako meram tak meram nekonci to tam...musi to ist niekam inam... Kam ?????
takze
- pin 1 z Rele 12 by mal ist na spinac svetiel ale mne to tam nekonci...
-kabel z tohu pinu 1 ide, len je to nepristupne a nedasa to tak jednoducho rozobrat.
-meral som to ci je to spojene ale nic.
- ak by bol ten pin 1 spojeny tak po otoceni klucom ma byt na nom 12V rele zopne a svietia...
- pin 2 je pripojeni na -(minus) pol
Neviete mi povedat kam je pripojey ten pin 1 z rele 12 ??????
Ford Focus Kombi r.v. 2003 TDCI 85 kw
ps: da sa to obist ale pre istotu chcem vediet kam to je zepojene aby som to urobil tak ako to ma byt.
Ide o to ze som to meral meracim pristrojom a podla schemi by to malo koncit na tej patici ale ako meram tak meram nekonci to tam...musi to ist niekam inam... Kam ?????
Naposledy upravil(a) axet dne 17.04.2009 07:13, celkem upraveno 1 x.
Pit - Axet - FFC 1.8TDCi 85kW 2003, Pirelli P6 195/60 R15
- jur
- Nováček

- Příspěvky: 154
- Registrován: 06.02.2008 19:42
- Bydliště: NM SK
Re: automatické rozsicení světel
Pokial mas osadenu paticu kablamy pre rele 12 tak ti staci dat tam to rele + nejake poistky a funguje to. Niekde na fore je to popisane. Ale tvoja otazka kde je napojeny pin 1 by ma tiez zaujimala. Hlavne ktory konektor je to na vypinaci svetiel.
- axet
- Nováček

- Příspěvky: 49
- Registrován: 02.02.2008 03:18
- Bydliště: Cana - Slovensko
- Kontaktovat uživatele:
Re: automatické rozsicení světel
Takze....schemy som konecne nasiel FORD TIS 2004 DVD... sedi to z tym zapojenim co som uviedol vyssie...Moje FOFO ma tie kable zapojene trocha inak...a tak som sa rozhodol ze ked to nieje zapojene z toho PIN 1 RELE 12 tak to zapojim manualne, natiahnem kabel na spinac svetiel presne podla schemy...tak ako by to malo byt...dam vediet ako to funguje.
Pit - Axet - FFC 1.8TDCi 85kW 2003, Pirelli P6 195/60 R15
- anubis
- Nováček

- Příspěvky: 108
- Registrován: 02.02.2008 03:18
- Bydliště: Pezinok
Re: automatické rozsicení světel
Nazdar...
...akurat som nasiel v schranke letak od SK Fordu, ze ich mozem navstivit, lebo maju jarnu servisnu akciu...
...okrem ineho ma zaujalo, ze za 62,99Euro (cca 1900Sk) ponukaju Montaz staleho svietenia...
...kedze aj ja zabudam, a pokuty nasi chlpati vedia rozdavat, uz dlhsie uvazujem nad takym niecim...co si myslite o tejto Fordackej ponuke?..ani neviem, co tam porobia a vypytaju si za to skoro 2tisicky. viete, co vlastne urobia? Ja nemam automaticke rozsvecovanie.
...akurat som nasiel v schranke letak od SK Fordu, ze ich mozem navstivit, lebo maju jarnu servisnu akciu...
...okrem ineho ma zaujalo, ze za 62,99Euro (cca 1900Sk) ponukaju Montaz staleho svietenia...
...kedze aj ja zabudam, a pokuty nasi chlpati vedia rozdavat, uz dlhsie uvazujem nad takym niecim...co si myslite o tejto Fordackej ponuke?..ani neviem, co tam porobia a vypytaju si za to skoro 2tisicky. viete, co vlastne urobia? Ja nemam automaticke rozsvecovanie.
FoFoII 5door hatchback Collection X 74kW vyr 07/2007
https://moje.auto.cz/l-n/ford-s-max.html
https://moje.auto.cz/l-n/ford-s-max.html
-
zirafak
- Test driver

- Příspěvky: 8970
- Registrován: 02.02.2008 03:18
Re: automatické rozsicení světel
daju ti tam asi to rele,co sme si mi davali za par stovak

- Dzefer
- Zkušený

- Příspěvky: 1831
- Registrován: 26.03.2008 15:42
- Bydliště: Bratislava
Re: automatické rozsicení světel
hej, aj mne to doslo a zaujali ma eibachy za 209. Ked som vymenil zopar mailov so summitom, tak z 209 bolo zrazu 365
Pozor na slovicka. A myslim, ze to denne svietenie zvladnes aj sam za par euro
- axet
- Nováček

- Příspěvky: 49
- Registrován: 02.02.2008 03:18
- Bydliště: Cana - Slovensko
- Kontaktovat uživatele:
Re: automatické rozsicení světel
Rele som kupil....kabel od pinu 4 spinaca svetiel som natiahol k rele 12 pin 1 a funguje...
Ak otocim klucom svetla sa automaticky zapnu...maju trocha nisiu intenzitu lebo to ide cez odpor co je OK....
vecer treba zapnut svetla spinacom svetiel aby fungovali aj dialkove....
Takze je to pohoda
Rele stalo 16,- EUR u FORD
praca asi 1-2 hodinky ale dasa...
este tam doriesim skryti spinac ak by som chcel aby to nezapianlo automaticky....potom to nafotim a pridam zopar foto..
Pekny den
a svetime automaticky...
Ak otocim klucom svetla sa automaticky zapnu...maju trocha nisiu intenzitu lebo to ide cez odpor co je OK....
vecer treba zapnut svetla spinacom svetiel aby fungovali aj dialkove....
Takze je to pohoda
Rele stalo 16,- EUR u FORD
praca asi 1-2 hodinky ale dasa...
este tam doriesim skryti spinac ak by som chcel aby to nezapianlo automaticky....potom to nafotim a pridam zopar foto..
Pekny den
Pit - Axet - FFC 1.8TDCi 85kW 2003, Pirelli P6 195/60 R15
- Rady
- Nováček

- Příspěvky: 52
- Registrován: 28.05.2009 19:56
- Bydliště: Uherský Brod / Vyškov
- Kontaktovat uživatele:
Automatické zapínání světel
Prosel jsem cele forum a nikde jsem tohle reseni nenalezl. Chci se proto zeptat, zda jste to nekdo jiz resili a pokud ano, tak bych vedel rad jak.
-
boj3
- Nováček

- Příspěvky: 2
- Registrován: 09.06.2009 21:06
Re: automatické rozsicení světel
Taky jsem řešil kam vede kabel z pinu 1 relé 12. Prostudoval jsem trochu schema na FF1 (TIS) a zjistil, že pin 1 je vyveden na konektor C71 a příslušný pin 25, ten je nacvaklý na spodek pojistek a relátek v motorovém prostoru, kabel by měl být zelenožlutý a je veden svazkem ke konektoru spínače světel na pin 15 a je přemostěn ještě na pin 4. Mě tam též chybí, jen jsem se nedostal k montáži, moc času není. Nejspíš se do toho pustím, až mě fíci zaseknou...... Každopádně mám vyzkoušené, že pokud spojím spínané kontakty relátka č 12, ručně, tak mi ty světla svítí, takže jde opravdu jen o absenci toho jednoho kabelu ke spínači světel.
PS.: Pro jednodušší zapojení, by možná stačilo na pin 1 relé 12 přivést napětí které se v palubní síti objeví při zapnutí klíčku, jen nevím, co by na to řekla centrální jednotka. Nejspíš nic. Pokud bude zájem, dejte vědět, možná mě přinutíte to udělat a nafotit....
PS.: Pro jednodušší zapojení, by možná stačilo na pin 1 relé 12 přivést napětí které se v palubní síti objeví při zapnutí klíčku, jen nevím, co by na to řekla centrální jednotka. Nejspíš nic. Pokud bude zájem, dejte vědět, možná mě přinutíte to udělat a nafotit....
Kdo je online
Uživatelé prohlížející si toto fórum: Bing [Bot] a 0 hostů








