Blbne elektrika - problem v kontaktoch
- Ahmed
- Test driver

- Příspěvky: 3751
- Registrován: 02.02.2008 03:18
- Bydliště: Ostrava
Re: Blbne elektrika
Nekde by tam mohlo byt stejne, tak se zkus podivat. Treba ventilator na chladici, atd. Nebo to rele vytahni a propoj ty kontakty dratem... Ale radeji to poradne prohlidni i podle manualu, jestli tam neni jeste nejake podobne rele, at te to pak neprejede 
- Jemar
- Zkušený

- Příspěvky: 1700
- Registrován: 02.02.2008 03:18
- Bydliště: čáslavsko
Re: Blbne elektrika
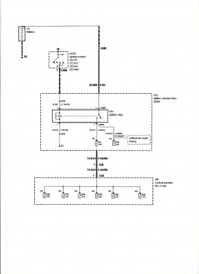
Vypadá to na relé R1, podle schemata spíná obvody přes pojistky F43= elektrická okna, stěrač zadního skla, F53= zpátečka, F54= brzdová světla, F55=stěrač předního skla, F56= el. okna přední, F62= vyhřívání předních sedadel. Tady je schema:
Ještě je tam pojistka F1= hlavní přívod napájení k elektrickým systémům a F64= pojistka napájení motoru topení.
To relé by měl být typ F80B14B192-AA, barva šedá (finis 3968349) cena 154 Kč bez DPH Tady je schema abys věděl kde to relé najdeš.
To relé by měl být typ F80B14B192-AA, barva šedá (finis 3968349) cena 154 Kč bez DPH Tady je schema abys věděl kde to relé najdeš.
- Jairo
- Pokročilý

- Příspěvky: 734
- Registrován: 02.02.2008 03:18
- Bydliště: Slovensko
- Kontaktovat uživatele:
Re: Blbne elektrika
Vsetky indicie smeruju k zdarnemu vyvrcholeniu
Vybral som to sede rele a auto sa chova tak isto ako ked tam bolo. Trochu sme ho premerali a zda sa,ze rele je mrtve.
Idem zohnat ine a skusit ho,aby som zbytocne nekupoval nove.Aj ked tych 154Kc bez DPH velmi rad za to rele zaplatim,len aby uz vsetko fungovalo
Vybral som to sede rele a auto sa chova tak isto ako ked tam bolo. Trochu sme ho premerali a zda sa,ze rele je mrtve.
Idem zohnat ine a skusit ho,aby som zbytocne nekupoval nove.Aj ked tych 154Kc bez DPH velmi rad za to rele zaplatim,len aby uz vsetko fungovalo
Bol - Ford Focus 1.6 16V HB 1999 Zelena metaliza


- Jairo
- Pokročilý

- Příspěvky: 734
- Registrován: 02.02.2008 03:18
- Bydliště: Slovensko
- Kontaktovat uživatele:
Re: Blbne elektrika
To Jemar:
ak sa mozem spytat,kde si nasiel schemu toho relatka? Pozeral som ten 68 stranovy pdf ale tam som to nevidel.Zle som sa dival alebo mas ine schemy (ktore by sa mi veru sikli
)?
ak sa mozem spytat,kde si nasiel schemu toho relatka? Pozeral som ten 68 stranovy pdf ale tam som to nevidel.Zle som sa dival alebo mas ine schemy (ktore by sa mi veru sikli
Bol - Ford Focus 1.6 16V HB 1999 Zelena metaliza


- Jemar
- Zkušený

- Příspěvky: 1700
- Registrován: 02.02.2008 03:18
- Bydliště: čáslavsko
Re: Blbne elektrika
Ford TIS 2004. Poslední odkaz dával JaLoMe, zkus mu napsat SZ.
- Jairo
- Pokročilý

- Příspěvky: 734
- Registrován: 02.02.2008 03:18
- Bydliště: Slovensko
- Kontaktovat uživatele:
Re: Blbne elektrika
OK, TIS mam. Mrknem si to tam.Jemar píše:Ford TIS 2004. Poslední odkaz dával JaLoMe, zkus mu napsat SZ.
Vdaka
Bol - Ford Focus 1.6 16V HB 1999 Zelena metaliza


- Jairo
- Pokročilý

- Příspěvky: 734
- Registrován: 02.02.2008 03:18
- Bydliště: Slovensko
- Kontaktovat uživatele:
Re: Blbne elektrika
Tak je to ZLE RELE R1 !!! Skusal som tam dat z ineho FoFo a s nim to ide
Zial,v mojom meste Ford rele nema a objednanie trva 5 dni.
Neviete mi niekto poradit kde by sa dalo kupit rychlejsie?
Zial,v mojom meste Ford rele nema a objednanie trva 5 dni.
Neviete mi niekto poradit kde by sa dalo kupit rychlejsie?
Bol - Ford Focus 1.6 16V HB 1999 Zelena metaliza


- Jemar
- Zkušený

- Příspěvky: 1700
- Registrován: 02.02.2008 03:18
- Bydliště: čáslavsko
- Jairo
- Pokročilý

- Příspěvky: 734
- Registrován: 02.02.2008 03:18
- Bydliště: Slovensko
- Kontaktovat uživatele:
Re: Blbne elektrika
Skusam hladat na nete ale zatial marne...
Tak mi napada,je bezne ze rele 'odide' a staci jeho vymena alebo to,ze je rele K.O. signalizuje nejaky vaznejsi problem

Tak mi napada,je bezne ze rele 'odide' a staci jeho vymena alebo to,ze je rele K.O. signalizuje nejaky vaznejsi problem
Bol - Ford Focus 1.6 16V HB 1999 Zelena metaliza


- Jemar
- Zkušený

- Příspěvky: 1700
- Registrován: 02.02.2008 03:18
- Bydliště: čáslavsko
Re: Blbne elektrika
Myslím že ne, všechno má svoji životnost. Pokud necvaká, pravděpodobně odešla cívka. Zkus sundat kryt a podívat se jestli to není třeba jen nějaký mechanický problém
- Jairo
- Pokročilý

- Příspěvky: 734
- Registrován: 02.02.2008 03:18
- Bydliště: Slovensko
- Kontaktovat uživatele:
Re: Blbne elektrika
Myslim,ze problem bude v tom rele.Dal som tam ine a islo to (super pocit ked sa zrazu vsetko rozbehlo).Uz len zohnat to releJemar píše:Myslím že ne, všechno má svoji životnost. Pokud necvaká, pravděpodobně odešla cívka. Zkus sundat kryt a podívat se jestli to není třeba jen nějaký mechanický problém
Bol - Ford Focus 1.6 16V HB 1999 Zelena metaliza


- Jemar
- Zkušený

- Příspěvky: 1700
- Registrován: 02.02.2008 03:18
- Bydliště: čáslavsko
Re: Blbne elektrika
Myslel jsem sundat kryt toho špatného relé a podívat se, jestli tam není nějaký mechanický problém.
- Jairo
- Pokročilý

- Příspěvky: 734
- Registrován: 02.02.2008 03:18
- Bydliště: Slovensko
- Kontaktovat uživatele:
Re: Blbne elektrika
Aha,sorry tak som ta zle pochopil.Dobry napad,skusim aj toJemar píše:Myslel jsem sundat kryt toho špatného relé a podívat se, jestli tam není nějaký mechanický problém.
Bol - Ford Focus 1.6 16V HB 1999 Zelena metaliza


- Jairo
- Pokročilý

- Příspěvky: 734
- Registrován: 02.02.2008 03:18
- Bydliště: Slovensko
- Kontaktovat uživatele:
Re: Blbne elektrika
Stare rele rozobrate,no ziaden mechanicky problem nie je patrny 
Bol - Ford Focus 1.6 16V HB 1999 Zelena metaliza


- Ahmed
- Test driver

- Příspěvky: 3751
- Registrován: 02.02.2008 03:18
- Bydliště: Ostrava
Re: Blbne elektrika
Tak jsem se trefil
Jestli ve Fordu nemají ani blbé relátko, tak jsou to fakt šašci. Není náhodou některé z těch dalších stejné? (klimatizace, ventilátor chladiče, ...) Bez těch by se dalo obejít pár dnů.
Kdo je online
Uživatelé prohlížející si toto fórum: Žádní registrovaní uživatelé a 2 hosti



