auto spínač svetiel
- karolkopictures
- Zkušený

- Příspěvky: 1987
- Registrován: 02.02.2008 03:18
- Bydliště: Morovno,Trenčianský kraj,SR
auto spínač svetiel
potrebujem poradiť ako to mám zapojiť
Focus FUTURA 2002
Kuga ST line 4x4 2019
Mondeo Titanium X 2019
Kuga ST line 4x4 2019
Mondeo Titanium X 2019
- karolkopictures
- Zkušený

- Příspěvky: 1987
- Registrován: 02.02.2008 03:18
- Bydliště: Morovno,Trenčianský kraj,SR
- karolkopictures
- Zkušený

- Příspěvky: 1987
- Registrován: 02.02.2008 03:18
- Bydliště: Morovno,Trenčianský kraj,SR
- vitr73
- Test driver

- Příspěvky: 3916
- Registrován: 25.02.2011 20:33
- Bydliště: Železný Brod
- Kontaktovat uživatele:
Re: auto spínač svetiel
Ahoj.vsem. Mam dotaz....v pojistkovce u motoru mi chybi rele R12. Z navodu jsem pochopil ze ma byt pro "denni sviceni". Zkusil jsem tam rele zastrcit(pouzil jsem rele od klimky) a svetla se nerozsvitily po nastartovani. Muze mi nekdo fundovany poradit jak to rozejit? dekuji predem
Ford Focus kombi 1.8 16V zmetec -E léta páně 1999
Byl Peugeot 309 1.4 zvaný Rozbuch-budiz mu vrakoviste lehke
Byl Daihatsu Applause 1.6 16V...zlaty auto.totalni nehoda na 483tis km
Byla Mazda 323 1.6 turbo rok 1990...prodan pro poruchu turba...
Byl Peugeot 309 1.4 zvaný Rozbuch-budiz mu vrakoviste lehke
Byl Daihatsu Applause 1.6 16V...zlaty auto.totalni nehoda na 483tis km
Byla Mazda 323 1.6 turbo rok 1990...prodan pro poruchu turba...
- pkadecka
- Test driver

- Příspěvky: 4764
- Registrován: 18.08.2009 12:39
- Bydliště: Kostelec nad Labem
Re: auto spínač svetiel
Pavel Kadečka
Mazda 6, 2.0i, 2004
Citroën Xsara, 1.4i, 2004
Ford Focus Turnier, 1.6i, 2002
Mazda 6, 2.0i, 2004
Citroën Xsara, 1.4i, 2004
Ford Focus Turnier, 1.6i, 2002
- vitr73
- Test driver

- Příspěvky: 3916
- Registrován: 25.02.2011 20:33
- Bydliště: Železný Brod
- Kontaktovat uživatele:
Re: auto spínač svetiel
dik...ale ja pripravu mam protoze do patice R12 draty vedou..jdu zkoumat dal
Ford Focus kombi 1.8 16V zmetec -E léta páně 1999
Byl Peugeot 309 1.4 zvaný Rozbuch-budiz mu vrakoviste lehke
Byl Daihatsu Applause 1.6 16V...zlaty auto.totalni nehoda na 483tis km
Byla Mazda 323 1.6 turbo rok 1990...prodan pro poruchu turba...
Byl Peugeot 309 1.4 zvaný Rozbuch-budiz mu vrakoviste lehke
Byl Daihatsu Applause 1.6 16V...zlaty auto.totalni nehoda na 483tis km
Byla Mazda 323 1.6 turbo rok 1990...prodan pro poruchu turba...
- pkadecka
- Test driver

- Příspěvky: 4764
- Registrován: 18.08.2009 12:39
- Bydliště: Kostelec nad Labem
Re: auto spínač svetiel
A máš tam pojistku 22? Podle návodu je to pojistka pro denní svícení.
Když ani to nepomůže, tak zkus místo relé strčit drát - místo kontaktu relé. Máš nějakej multimetr? Jestli ne, za 100 si kup v nejbližší tržnici nebo za 200 v nějakým elektru nebo OBI. Na takovýhle laborování je to základní věc.
Když ani to nepomůže, tak zkus místo relé strčit drát - místo kontaktu relé. Máš nějakej multimetr? Jestli ne, za 100 si kup v nejbližší tržnici nebo za 200 v nějakým elektru nebo OBI. Na takovýhle laborování je to základní věc.
Pavel Kadečka
Mazda 6, 2.0i, 2004
Citroën Xsara, 1.4i, 2004
Ford Focus Turnier, 1.6i, 2002
Mazda 6, 2.0i, 2004
Citroën Xsara, 1.4i, 2004
Ford Focus Turnier, 1.6i, 2002
- vitr73
- Test driver

- Příspěvky: 3916
- Registrován: 25.02.2011 20:33
- Bydliště: Železný Brod
- Kontaktovat uživatele:
Re: auto spínač svetiel
pojistka 22 tam je. pouzil jsem rele od klimatizace(jine nemam) nemuze byt nevhodne?
Ford Focus kombi 1.8 16V zmetec -E léta páně 1999
Byl Peugeot 309 1.4 zvaný Rozbuch-budiz mu vrakoviste lehke
Byl Daihatsu Applause 1.6 16V...zlaty auto.totalni nehoda na 483tis km
Byla Mazda 323 1.6 turbo rok 1990...prodan pro poruchu turba...
Byl Peugeot 309 1.4 zvaný Rozbuch-budiz mu vrakoviste lehke
Byl Daihatsu Applause 1.6 16V...zlaty auto.totalni nehoda na 483tis km
Byla Mazda 323 1.6 turbo rok 1990...prodan pro poruchu turba...
- pkadecka
- Test driver

- Příspěvky: 4764
- Registrován: 18.08.2009 12:39
- Bydliště: Kostelec nad Labem
Re: auto spínač svetiel
Relé je furt jenom relé, jsou všechny stejný.
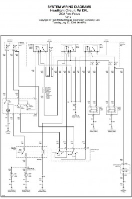
Schéma světel s DRL (day running lights = světla pro denní svícení) je tady:
Kvalita není úplně optimální, nemám tak velkej monitor, abych moh sejmout obrázek ve vyšším rozlišení z toho PDF. Schémata jsou snad tady někde ke stažení celý resp. je tady na ně odkaz.
Jak vidíš, měl by tam být taky odpor pro omezení svitu žárovek v režimu denního svícení. Když jednoduše propojíš drátem 3 a 5 v patici toho relé, měly by světla svítit. Určitě tam vedou všechny dráty a jsou osazené všechny kontakty v patici? V mojí pojistkovce v motorovým prostoru je u některejch nepoužitejch pozic pro pojistky osazený jen jeden kontakt.
Kup si ten měřák a změř v patici R12, jestli je napětí tam, kde má být, tj. na kontaktu 3 a pokud běží motor, tak i na kontaktu 1. Pokud běží motor a jsou ručně rozsvícená světla, tak by se mělo napětí objevit i na kontaktu 5. To popisuju schéma, co jsem poslal, nemusí 100% odpovídat tvýmu autu.
Schéma světel s DRL (day running lights = světla pro denní svícení) je tady:
Kvalita není úplně optimální, nemám tak velkej monitor, abych moh sejmout obrázek ve vyšším rozlišení z toho PDF. Schémata jsou snad tady někde ke stažení celý resp. je tady na ně odkaz.
Jak vidíš, měl by tam být taky odpor pro omezení svitu žárovek v režimu denního svícení. Když jednoduše propojíš drátem 3 a 5 v patici toho relé, měly by světla svítit. Určitě tam vedou všechny dráty a jsou osazené všechny kontakty v patici? V mojí pojistkovce v motorovým prostoru je u některejch nepoužitejch pozic pro pojistky osazený jen jeden kontakt.
Kup si ten měřák a změř v patici R12, jestli je napětí tam, kde má být, tj. na kontaktu 3 a pokud běží motor, tak i na kontaktu 1. Pokud běží motor a jsou ručně rozsvícená světla, tak by se mělo napětí objevit i na kontaktu 5. To popisuju schéma, co jsem poslal, nemusí 100% odpovídat tvýmu autu.
Pavel Kadečka
Mazda 6, 2.0i, 2004
Citroën Xsara, 1.4i, 2004
Ford Focus Turnier, 1.6i, 2002
Mazda 6, 2.0i, 2004
Citroën Xsara, 1.4i, 2004
Ford Focus Turnier, 1.6i, 2002
- vitr73
- Test driver

- Příspěvky: 3916
- Registrován: 25.02.2011 20:33
- Bydliště: Železný Brod
- Kontaktovat uživatele:
Re: auto spínač svetiel
kdyz spojim 3 a 5 tak svetla sviti...stejne tak kdyz zmacknu rucne odkryte rele. ale na 1 se nic neobevi kdyz motor bezi
Ford Focus kombi 1.8 16V zmetec -E léta páně 1999
Byl Peugeot 309 1.4 zvaný Rozbuch-budiz mu vrakoviste lehke
Byl Daihatsu Applause 1.6 16V...zlaty auto.totalni nehoda na 483tis km
Byla Mazda 323 1.6 turbo rok 1990...prodan pro poruchu turba...
Byl Peugeot 309 1.4 zvaný Rozbuch-budiz mu vrakoviste lehke
Byl Daihatsu Applause 1.6 16V...zlaty auto.totalni nehoda na 483tis km
Byla Mazda 323 1.6 turbo rok 1990...prodan pro poruchu turba...
- vitr73
- Test driver

- Příspěvky: 3916
- Registrován: 25.02.2011 20:33
- Bydliště: Železný Brod
- Kontaktovat uživatele:
Re: auto spínač svetiel
1 vede primo k prepinaci svetel na kontakt 4 (teda podle schematu)....tak jeste kouknu jestli to nejaka duse dobra predemnou "neodpojila" stipackama....aby to nesvitilo...jinak uz nevim. 2 je kostra ze jo?
Ford Focus kombi 1.8 16V zmetec -E léta páně 1999
Byl Peugeot 309 1.4 zvaný Rozbuch-budiz mu vrakoviste lehke
Byl Daihatsu Applause 1.6 16V...zlaty auto.totalni nehoda na 483tis km
Byla Mazda 323 1.6 turbo rok 1990...prodan pro poruchu turba...
Byl Peugeot 309 1.4 zvaný Rozbuch-budiz mu vrakoviste lehke
Byl Daihatsu Applause 1.6 16V...zlaty auto.totalni nehoda na 483tis km
Byla Mazda 323 1.6 turbo rok 1990...prodan pro poruchu turba...
Kdo je online
Uživatelé prohlížející si toto fórum: Semrush [Bot] a 1 host

